PALMS 8SX

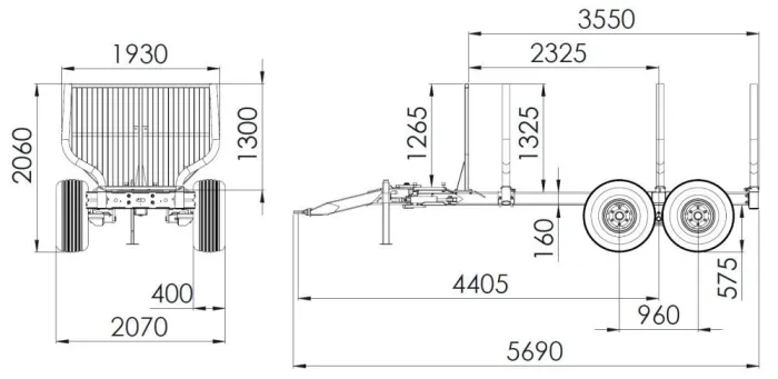
Lastausalueen poikkipinta-ala, m² 2,0
Lastausalueen pituus, mm 3550
Bruttopaino, kg 10000
Kokonaispituus, mm 5690

Perustiedot

PALMS 8SX on yksipalkkirakenteinen metsäperävaunu, jonka nimelliskuorma on 8 tonnia. Se on suosittu valinta monien pienten metsänomistajien ja viljelijöiden keskuudessa. Yksinkertainen mutta jämäkkä rakenne ja kestävyys tekevät siitä luotettavan kumppanin monenlaisiin metsä- ja maataloustöihin.

Tutustu tarkemmin

Videot

Tilaa uutiskirje

Myynti Huolto Varaosat