PALMS 6S

Lastausalueen poikkipinta-ala, m² 1,5
Lastausalueen pituus, mm 3000
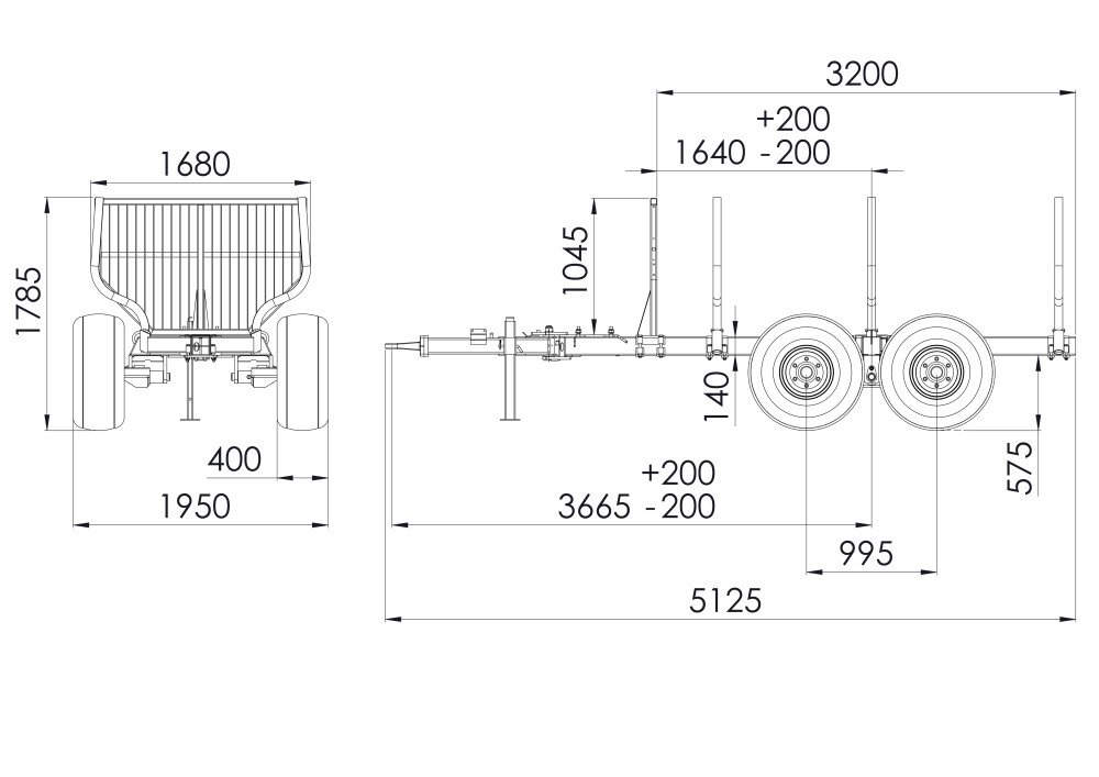
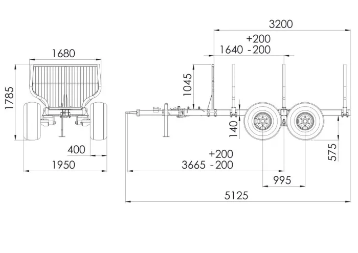
Bruttopaino, kg 8500
Kokonaispituus, mm 5125

Perustiedot

PALMS 6S on yksipalkkinen metsäperävaunu, jonka nimelliskuormankantokyky on 6 tonnia. Sen kevyt ja kompakti rakenne tekee siitä erinomaisen parin pienemmille traktoreille, ja se sopii ihanteellisesti yksityiseen metsänhoitoon ja viljelijöille. PALMS 6S hyödyntää samoja teknologioita kuin suuremmat perävaunumme, mukaan lukien korkealaatuinen KTL- ja pulverimaalaus, mikä takaa pidemmän käyttöiän ja korkeamman jälleenmyyntiarvon.

Tutustu tarkemmin

Videot

Tilaa uutiskirje

Myynti Huolto Varaosat