PALMS 14D

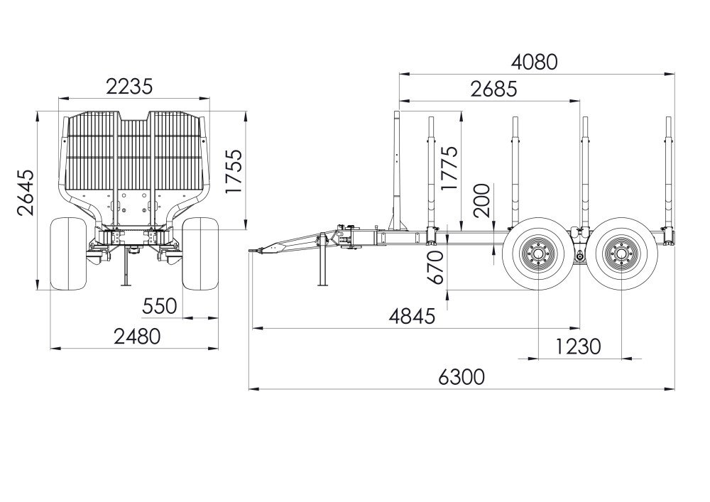
Lastausalueen poikkipinta-ala, m² 3,0
Lastausalueen pituus, mm 4080
Bruttopaino, kg 18000
Kokonaispituus, mm 6300

Perustiedot

PALMS 14D on PALMSin suurin kaksipalkkirunkoinen perävaunu, jonka nimellinen kantavuus on vaikuttavat 14 tonnia. Suuremman kuormausala-poikkileikkauksen lisäksi PALMS 14D tarjoaa pidemmän kuormausalustan kuin muut kaksipalkkiset perävaunut. Lisäksi tämä perävaunu on yhteensopiva PALMSin lippulaivanosturin, X100-metsänosturin, kanssa.

Tutustu tarkemmin

Tilaa uutiskirje

Myynti Huolto Varaosat