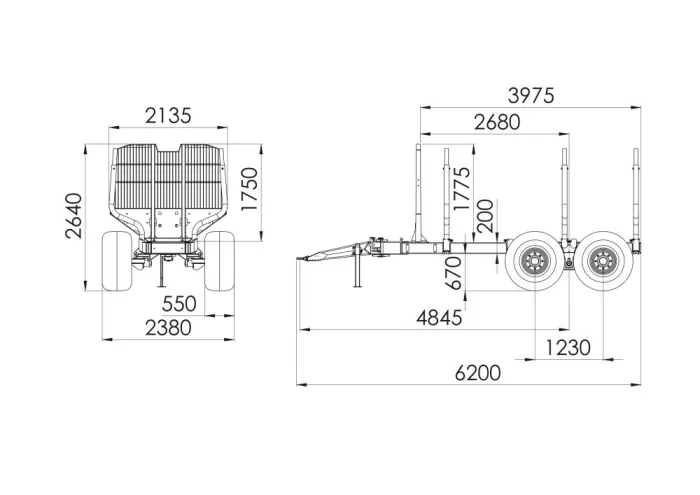
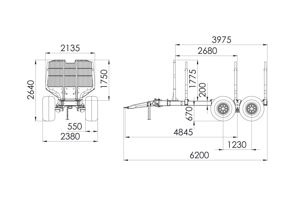
PALMS 12D

Lastausalueen poikkipinta-ala, m² 2,7
Lastausalueen pituus, mm 3975
Bruttopaino, kg 15000
Kokonaispituus, mm 6200

Perustiedot

PALMS 12D on metsäperävaunu, jonka nimellinen kantavuus on 12 tonnia ja jossa on kaksipalkkinen runko. Se on erinomainen valinta päivittäisiin metsätöihin ja tarjoaa hyvän yhteensopivuuden PALMSin viidennen ja seitsemännen sarjan nostureiden kanssa.

Tutustu tarkemmin

Tilaa uutiskirje

Myynti Huolto Varaosat