PALMS 11UX

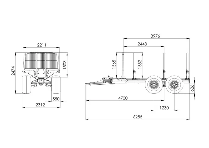
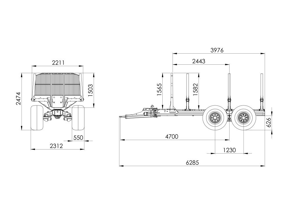
Lastausalueen poikkipinta-ala, m² 2,4 - (2,9)
Lastausalueen pituus, mm 3976
Bruttopaino, kg 15000
Kokonaispituus, mm 6285

Perustiedot

PALMS 11UX tarjoaa yksirunkoisen rakenteen edut – kuten paremman kestävyyden, erinomaiset maasto-ominaisuudet ja helpon huollettavuuden – D-sarjan perävaunujen hintaluokassa. Lisäksi se sisältää useita uusia parannuksia, kuten rungon sisään integroidun ja täysin suojatun lisävarusteena saatavan paineilmasäiliön, uuden helposti pidennettävän kuormatraktorityyppisen pankkojärjestelmän sekä uuden aisarakenteen.

Tutustu tarkemmin

Tilaa uutiskirje

Myynti Huolto Varaosat