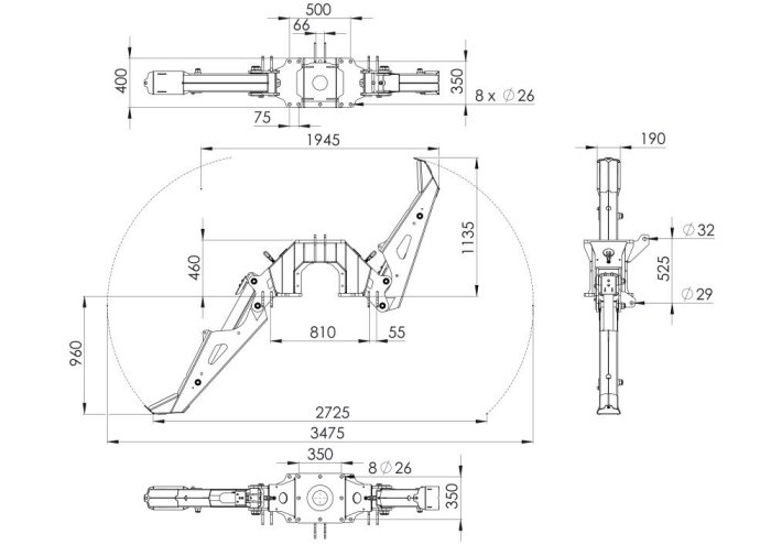
PALMS-lisävarusteet metsäkoneisiin › Tukijalka - B4
-
Ominaisuudet
Tekniset tiedot
| Tukijalat | B1E | B2.1 | B3 | B4 | B6 | B09 | B9 | B10 | B011 | B11 |
| Kuormain yhteensopivuus | ||||||||||
| 1.42 | + | |||||||||
| 2.42 | + | |||||||||
| 2.54 | + | |||||||||
| 3.63 | + | |||||||||
| 3.67 | + | + | + | |||||||
| 4.71 | + | + | + | |||||||
| 5.75 | + | + | + | + | + | + | ||||
| 5.85 | + | + | + | + | + | + | ||||
| 5.85z | + | |||||||||
| 7.78 | + | + | + | + | ||||||
| 7.87 | + | + | + | + | ||||||
| 7.94 | + | + | + | + | ||||||
| X100 | + | + | + | + |